TankMonitor – Suivi du niveau d’une cuve d’eau de pluie
Contexte
Dans le cadre de la construction d’une maison neuve, le règlement du lotissement « incite fortement » à installer une cuve de récupération des eaux de pluie (usage toilettes et arrosage extérieur).
Pourquoi pas se lancer… mais hors de question de le faire sans visibilité sur le niveau de remplissage ![]()
C’est décidé : j’inclus le suivi de remplissage de ma cuve de 5 m³ dans Home Assistant.
Démarche
Après un prototypage sur une petite cuve de jardin, mon choix s’est porté sur une solution filaire à base de flotteurs à contact, répartis uniformément sur la hauteur de la cuve. Les états des capteurs (ouvert/fermé) sont lus via un ESP8266 et envoyés à Home Assistant grâce à ESPHome.
Les données sont interprétées par le composant binary_sensor_map, qui convertit les états en pourcentage de remplissage.
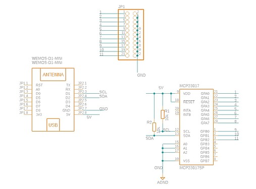
Avec 10 capteurs = 10 entrées à gérer → trop pour un ESP seul ! J’utilise donc une carte d’expansion MCP23017 pour gérer ça avec seulement 2 pins (SDA/SCL).
Contraintes / Solutions
Partie capteur
- La cuve est enterrée à l’extérieur, à environ 3 m de la maison.
- L’intérieur est évidemment très humide.
- Il y a une gaine existante (amenée au fond de la cuve) que j’ai utilisée pour faire passer tous les fils, héberger l’ESP à l’abri (au sec), proche de l’alimentation et du WiFi.
Les flotteurs sont connectés via des connecteurs étanches.
Pour les maintenir :
- Une cornière en L en alu (plus chère, mais plus résistant que le plastique) de 2,5 m sert de perche,
- Les supports des capteurs (toujours en cornière d’alu) sont rivetés, pour déporter les flotteurs,
- Un plot en béton maintient la perche à la verticale.
Les fils des flotteurs sont regroupés dans 3 câbles RJ45 en sortie de cuve, pour un coût réduit (au métre) et une meilleure facilité de passage en gaine.
Partie électronique
Le matériel utilisé :
- Un ESP8266 (clone Wemos D1 Mini)
- Une carte d’expansion MCP23017
- Deux résistances 10kΩ (pull-up sur SDA/SCL)
- 20 connexions pour les capteurs
Schéma de câblage :
Peu de composants, mais beaucoup de connexions, donc j’ai conçu un PCB pour fiabiliser le tout (Gerbers dispo sur le GitHub) :
En images
La perche avec les capteurs
Couleur différente pour les flotteurs pairs et impairs :
Le PCB avec les branchements :
Erratum / Oubli
Erreur : le nombre de capteurs
J’avais prévu 11 capteurs au lieu de 10 (0 → 10 = 11 valeurs). Finalement, le capteur 0 n’est pas vraiment utile.
Interprétation : si le capteur 1 (10 %) n’est pas immergé, le niveau est < 10 %, donc affiché à 0 %.
Pas dramatique : qui peut le plus, peut le moins ![]()
Oubli : la température
J’utilisais 3 câbles RJ45, soit 24 fils. 20 seulement sont utilisés.
Pourquoi ne pas ajouter la température de l’eau, juste pour le fun ?
J’ai donc ajouté une sonde DS18B20 étanche (3 m de câble), branchée un peu à l’arrache car non prévue sur le PCB, dommage…
Code ESPHome
Le code est simple, basé uniquement sur des composants officiels ESPHome.
J’utilise des packages pour des fonctionnalités partagées (WiFi, bouton reset, uptime, etc.).
Le code complet est dispo sur le GitHub.
Les
XXXXXXXXsont à remplacer par vos mots de passe
packages:
button: !include common.yaml
substitutions:
devicename: tankmonitor
esphome:
name: tankmonitor
esp8266:
board: d1_mini
# Enable logging
logger:
wifi:
ap:
ssid: "Tankmonitor Fallback Hotspot"
password: "XXXXXXXX"
captive_portal:
i2c:
sda: D2
scl: D1
scan: True
id: bus_a
one_wire:
- platform: gpio
pin: D3
mcp23017:
- id: 'mcp23017_hub'
address: 0x20
binary_sensor:
- platform: gpio
id: 'pin0'
name: "pin0"
pin:
mcp23xxx: mcp23017_hub
number: 0
mode: INPUT_PULLUP
inverted: false
- platform: gpio
id: 'pin1'
name: 'pin1'
pin:
mcp23xxx: mcp23017_hub
number: 1
mode: INPUT_PULLUP
inverted: false
- platform: gpio
id: 'pin2'
name: 'pin2'
pin:
mcp23xxx: mcp23017_hub
number: 2
mode: INPUT_PULLUP
inverted: false
- platform: gpio
id: 'pin3'
name: 'pin3'
pin:
mcp23xxx: mcp23017_hub
number: 3
mode: INPUT_PULLUP
inverted: false
- platform: gpio
id: 'pin4'
name: 'pin4'
pin:
mcp23xxx: mcp23017_hub
number: 4
mode: INPUT_PULLUP
inverted: false
- platform: gpio
id: 'pin5'
name: 'pin5'
pin:
mcp23xxx: mcp23017_hub
number: 5
mode: INPUT_PULLUP
inverted: false
- platform: gpio
id: 'pin6'
name: 'pin6'
pin:
mcp23xxx: mcp23017_hub
number: 6
mode: INPUT_PULLUP
inverted: false
- platform: gpio
id: 'pin7'
name: 'pin7'
pin:
mcp23xxx: mcp23017_hub
number: 7
mode: INPUT_PULLUP
inverted: false
- platform: gpio
id: 'pin8'
name: 'pin8'
pin:
mcp23xxx: mcp23017_hub
number: 8
mode: INPUT_PULLUP
inverted: false
- platform: gpio
id: 'pin9'
name: 'pin9'
pin:
mcp23xxx: mcp23017_hub
number: 9
mode: INPUT_PULLUP
inverted: false
- platform: gpio
id: 'pin10'
name: 'pin10'
pin:
mcp23xxx: mcp23017_hub
number: 10
mode: INPUT_PULLUP
inverted: false
sensor:
- platform: dallas_temp
name : temperature eau recup
address: 0x8b3ce4f6486fd428
resolution: 11
update_interval : 10min
- platform: binary_sensor_map
id: group_0
name: "Niveau d'eau"
type: GROUP
state_class: measurement
unit_of_measurement : '%'
channels:
- binary_sensor: pin0
value: 0
- binary_sensor: pin1
value: 20
- binary_sensor: pin2
value: 40
- binary_sensor: pin3
value: 60
- binary_sensor: pin4
value: 80
- binary_sensor: pin5
value: 100
- binary_sensor: pin6
value: 120
- binary_sensor: pin7
value: 140
- binary_sensor: pin8
value: 160
- binary_sensor: pin9
value: 180
- binary_sensor: pin10
value: 200
Retour d’expérience
J’ai rencontré quelques soucis :
Faux niveaux (pas multiples de 10) pour cause de
- Capteurs défectueux ou encrassés ?
- Connexion étanche, pas si étanches ?
J’ai dû démonter, nettoyer, et remplacer certains capteurs / connexions.
Intégration HomeAssistant
Affichage dans le dashboard se fait via une jauge Home Assistant.
Une automatisation HA vérifie la cohérence des données (multiples de 10) et envoi une alerte si ce n’est pas le cas.
Via une seconde automatisation, une alerte m’est envoyée dès que le niveau tombe sous 10 %, pour basculer sur le réseau de ville.
Conclusion
Ce n’est clairement pas la solution la plus simple (des mètres de câbles, beaucoup de bricolage), mais très satisfaisant de mener un projet comme ça jusqu’au bout ![]()




