Salut à tous,
Me revoilà avec une nouveau petit projet, domotiser mon adoucisseur Viessmann VS87H. C’est le sujet de @pascal_ha qui m’a donné envie (Domotiser adoucisseur Fleck 5600 SXT avec ESP32 - #19 par pascal_ha) et il m’a d’ailleurs aidé et partager son retour d’expérience.
Le projet n’est pas encore finaliser car j’attends la moitié des pièces, l’autre je l’ai déjà en stock.
Après divers échange entre un technicien Ecowater qui est passé chez mes voisins et avec qui j’ai pu échanger, un contact chez Ecowater qui m’a aimablement transmis les plans de l’appareil (platine protégée donc impossible de faire quoi que ce soit) et des échanges avec @pascal_ha
j’en suis arrivé à ceci :
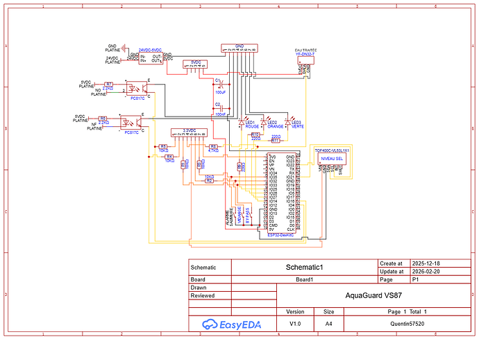
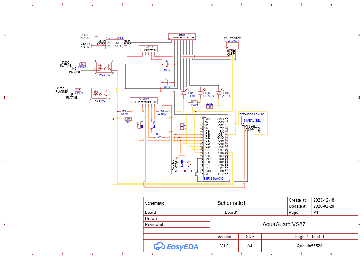
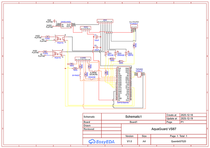
- Le capteur by-pass, flotteur saumure et passage évacuation sont des simples contacts secs.
- J’ai mis 3 leds d’états en 3.3V :
- Rouge : Alarme (trop plein, fuite par exemple)
- Vert : RAS
- Orange : By-pass actif
- Le capteur de niveau de sel est le TOF400C - VL53L1X
Débitmètre externe côté eau traité : YF-DN32-T en 5VDC avec résistance 10kOmhs en pull-up - Arrivée switch platine c’est un capteur NF 24VDC qui donne la position du moteur pour les cycles (4 cycles + position de service). J’ai mis un optocoupleurs PC817C pour l’isoler de mon esp32 et éviter tout perturbation côté platine adoucisseur (car ça peut provoquer des erreurs d’après le technicien EcoWater).
- Je choppe l’alim en 24VDC via la platine de l’adoucisseur et je passe par un convertisseur pour du 5VDC pour la mettre sur mon ESP32
Liste du matériel :
- Convertisseur 24VDC - 5VDC - 1A : https://fr.aliexpress.com/item/1005008727716341.html?spm=a2g0o.order_list.order_list_main.5.779c5e5bMQpqQg&gatewayAdapt=glo2fra
- Flotteur commutateur : https://fr.aliexpress.com/item/1005002848726146.html?gps-id=pcStoreJustForYou&scm=1007.23125.137358.0&scm_id=1007.23125.137358.0&scm-url=1007.23125.137358.0&pvid=164fb7ef-8565-4f20-a5bf-23a2edbc93dc&_t=gps-id%3ApcStoreJustForYou%2Cscm-url%3A1007.23125.137358.0%2Cpvid%3A164fb7ef-8565-4f20-a5bf-23a2edbc93dc%2Ctpp_buckets%3A668%232846%238109%231935&pdp_ext_f={"order"%3A"79"%2C"spu_best_type"%3A"order"%2C"eval"%3A"1"%2C"sceneId"%3A"13125"%2C"fromPage"%3A"recommend"}&pdp_npi=6%40dis!EUR!1.62!1.62!!!1.84!1.84!%402103956a17653966799606541e66b4!12000022454784448!rec!FR!2110725006!XZ!1!0!n_tag%3A-29919%3Bd%3A427600bc%3Bm03_new_user%3A-29895&spm=a2g0o.store_pc_home.smartJustForYou_6000194426410.1005002848726146&gatewayAdapt=glo2fra
- Capteur de passage : XYYTool Store - Amazing products with exclusive discounts on AliExpress
- Capteur pour le by-pass : https://fr.aliexpress.com/item/1005002797173105.html?spm=a2g0o.order_list.order_list_main.35.4baa5e5bjlYCYO&gatewayAdapt=glo2fra
- Assortiment LEDs : https://fr.aliexpress.com/item/1005003323707856.html?spm=a2g0o.order_list.order_list_main.40.4baa5e5bjlYCYO&gatewayAdapt=glo2fra
- Capteur de niveau de sel : https://fr.aliexpress.com/item/1005006104299860.html?spm=a2g0o.order_list.order_list_main.78.4baa5e5bjlYCYO&gatewayAdapt=glo2fra
- Optocoupleur PC817C : https://fr.aliexpress.com/item/1005006995066528.html?pdp_npi=4%40dis!EUR!€%201%2C68!€%201%2C64!!!13.48!13.17!%400b88ac6e17653968028516582d09ef!12000038985252509!sh!FR!2110725006!X&spm=a2g0o.store_pc_home.allitems_choice_2007195146779.1005006995066528&gatewayAdapt=glo2fra
- Débitmètre YF-DN32-T : https://fr.aliexpress.com/item/1005009230076673.html?spm=a2g0o.store_pc_home.promoteWysiwyg_2012846437364.1005009230076673&gatewayAdapt=glo2fra
Bornier 8 pins : ST-Jeris Electronic Store - Amazing products with exclusive discounts on AliExpress
Condensateur 100nF : https://fr.aliexpress.com/item/1005006991784119.html?spm=a2g0o.order_list.order_list_main.236.779c5e5bMQpqQg&gatewayAdapt=glo2fra
Assortiment résistances : https://fr.aliexpress.com/item/1005005855324735.html?spm=a2g0o.order_list.order_list_main.246.779c5e5bMQpqQg&gatewayAdapt=glo2fra
Condensateur 100uF : https://fr.aliexpress.com/item/1005008942188885.html?spm=a2g0o.productlist.main.8.37462127r13hc5&algo_pvid=6c607cbc-dd53-48b1-bbf1-2cfa5afd8849&aem_p4p_detail=202512101204056828591905777100001742549&algo_exp_id=6c607cbc-dd53-48b1-bbf1-2cfa5afd8849-7&pdp_ext_f={"order"%3A"219"%2C"eval"%3A"1"%2C"fromPage"%3A"search"}&pdp_npi=6%40dis!EUR!1.37!1.37!!!10.96!10.96!%402103890917653970453274194e09f2!12000047295141013!sea!FR!2110725006!X!1!0!n_tag%3A-29919%3Bd%3A427600bc%3Bm03_new_user%3A-29895&curPageLogUid=dsOb50EeKbFG&utparam-url=scene%3Asearch|query_from%3A|x_object_id%3A1005008942188885|_p_origin_prod%3A&search_p4p_id=202512101204056828591905777100001742549_2
Câble dupont 2.54mm : https://fr.aliexpress.com/item/1005007328930536.html?spm=a2g0o.order_list.order_list_main.176.779c5e5bMQpqQg&gatewayAdapt=glo2fra
Si quelqu’un peut me confirmer que je ne fais rien griller avant que j’aille plus loin ? ![]()










