sur l’interrupeteur centralisé, j’ai fait le test de relier (une fraction de seconde avec un fil) la borne monte et le commun, et ça lance la montée de tous les volets. Idem si je fais la descente.
Et je n’ai pas besoin de le laisser connecter pendant tout l’operation.
Ca répond à la question?
merci
Bonne réponse et bon test ![]()
Donc effectivement ça devrait fonctionner avec le T2 sans soucis
Déjà premièrement est-ce que ça fonctionne depuis HA ?
merci ![]()
oui, avec ma configuration (cf plus haut), quand j’active l’inter L1, j’entends le double clic/clic du module et les rideaux descendent. c’est là que l’inter reste activé sur HA …
ensuite si je veux monter les rideaux j’active l’autre inter, et les rideaux montent, je me retrouve avec les 2 inter activés sur ON…
après est-ce génant que les 2 inters restent sur ON? deja si j’active l’interlock, lorsque j’active l’un l’autre rebascule sur OFF, c’est déjà mieux. mais ne serait-il pas plus pertinent que les 2 soient sur OFF après avoir étaient activé? comme une sorte de bouton poussoir?
Apres si c’est pas génant que l’un ou l’autre reste allumé (avec l’interlock) ca me permet d’avoir un retour d’état… si L1 actif alors volets fermés / si L2 actifs volets ouverts.
Maintenant se pose la question de comment avoir un truc pas trop mal côté dashboard? à votre avis que me conseillez-vous?
merci.
Ce sont des bonnes choses effectivement me retour d’êtat remonte pas c’est dommage au final va serait mieux d’avoir juste un bouton d’action
Tu n’aura jamais de retour d’êtat pertinent puisque le module ne contrôle pas vraiment les volets
Mais ce bouton devrait revenir à off si tu augmente un peu le temps ?
Et aussi peut être augmenter la qos dans les options du modules tu as des options de qos monte a 4 pour voir si ça peut améliorer le retour d’êtat
ce temps là?
je suis pas sur de comprendre… car c’est le temps d’impulsion.
pourquoi 4? ca va faire quoi?
merci
La QOS vas prioriser les flux ayant la.priorité la plus haute
Oui mais peut être que c’est trop court et que HA ne le vois pas ?
Et dans HA le retour est ok ?
j’ai mis au max soit 2000ms… à part le clic/clic du module qui est beaucoup plus long, ça ne change ne rien l’inter sur HA, il ne revient pas dans sont état OFF.
en ayant l’interlock d’activé, je pense que ca peut rester comme ça.
du coup je voudrai rajouter dans mon dashboard un inter type volet roulant avec 2 fleches (haut/bas): 1 pour monter l’autre pour descendre. Quand j’active la fleche bas en fait ca commute l’inter L1 et quand j’active le fleche haut ca commute l’inter L2 (et forcement bascule L1 car j’ai 'interlock)… et la je bloque completement, je ne sais pas comment m’y prendre???
vous avez une idée?
merci
Je suis une quiche en dashboard ![]()
Par contre le soucis c’est que ton device n’est pas reconnu comme un volet roulant
Do c tu vas devoir génerer un device via un template cover
Après ça ton nouveau device sera vu comme un volet roulant
oui je pense que c’est la seule solution qui me reste… si j’y arrive (car moi aussi je suis une quiche et en plus comme tu as du le comprendre, je suis un gros débutant dans HA) je vous ferai un retour.
encore merci pour le temps passé à m’aider
Il y’a des exemples il faut juste faire en template simple
Commande pour monter et descendre ça se passe comment pour le stopper ?
Bonjour,
c’est bon effectivement je me suis débrouillé et j’ai trouvé comment ajouter un carte à mon accueil pour monter et descendre. Merci.
et tu as raison, je peux monter et descendre… mais ne peux pas l’arreter…
ca sera donc tous les volets ouverts / tous les volets fermés.
A moins que quelqu’un me trouve une solution
? merci
en manuel c’est comme ca que sont utilisés les commandes. Le matin j’ouvre tout a 100%. et le soir je ferme.
Et dans la journée, si je veux fermer un peu certains volets, je le fais un par un, à la demande.
merci encore.
D’où l’intérêt de tous les domotiser ![]()
Pour l’arrêt suffit peut être de renvoyer la commande monté ou descente ?
quand le rideau monte, si je renvoie la commande « monter » il ne se passe rien. Si j’envoie la commande « descendre », les rideaux descendent…
merci
Donc avec ton bouton c’est pareil c’est juste montée et descente ?
Bonjour,
Je prends le train en marche, quelqu’un pourrait-il me dire SVP quelle est la correspondance des bornes du FGS224 avec celles du T2 Aqara ?
J’imagine ceci :
IN = LIN (+ pont avec LOUT)
Q1 = L1
Q2 = L2
J’ai bon ou je suis à coté de la plaque ? ![]()
Pour info, j’ai ce type de branchement pour mon actuel FGS224 et je souhaite le remplacer par un T2 Aqara afin de passer sous Zigbee et supprimer le module Z-Wave trop instable car trop loin de son controleur.
Comme je suis prudent, je préfère demander vos avis avant de me lancer …
Merci d’avance de vos réponses
Cordialement
oracle7 ![]()
Bonjour,
Je me répond à moi-même.
Mon branchement tel que je l’imaginais, ne peux pas marcher avec un Aqara T2. Après essais avec un montage volant et des lampes, il s’avère que la borne LIN du T2 est alimentée en permanence par la phase L. Donc la liaison (fil violet) venant de mon interrupteur Cuisine est sans impact cas même avec l’interrupteur « ouvert » (donc sur « Marche forcée GV ») la borne LIN est toujours alimentée ce qui ne permet pas le mode A/M en commandant l’ouverture du contact n°2 via HA.
Finalement, j’ai trouvé la solution à mon problème : utiliser un module Nodon SIN-4-2-20.
Il me suffit alors de relier ma liaison (fil violet) aux deux entrées de contacts 1&2. Voir le schéma ci-après :
Ainsi je peux donc remplacer le module Fibaro FGS224 Z-Wave et donc passer en Zigbee grâce au module Nodon SIN-4-2-20 sans modifier mes branchements de VMC initiaux.
Le but est donc atteint
![]()
Si cela peux en aider d’autres, alors tant mieux !!!
Cordialement
oracle7 ![]()
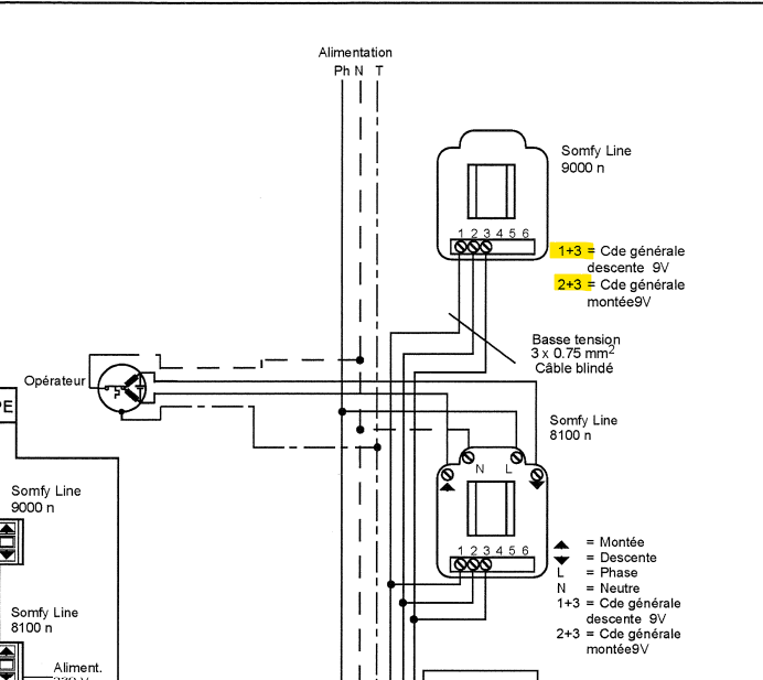
Bonjour, je reviens sur ce sujet. Est-ce que quelqu un aurait une idée de comment arreter la monter ou la descente comme le fait le bouton physique somfy SL9000n? pour lequel grace a contact sec j’arrive à monter (entre bornes 2 et 3) et à descendre (entre bornes 1 et 3).. mais a chaque fois c’est total. Si je souhaite arreter (comme avec le bouton physique), je ne sais pas comment faire? pourtant ça doit etre faisable? peut etre 3+3?
quelqu’un aurait une idée du fonctionnement de ces interrupteurs?
Pour info ce SL9000n est une ligne BUS qui commande tous les volets.
Voici un croquis explicatif.
merci






