Remplacement va et vient Schneider Odace pilotable par HA avec Wiser

Bonjour,
Je suis actuellement en réflexion pour remplacer mes interrupteurs Schneider Odace « classique » par des modèles connectés et pilotable par HA.
Je souhaite garder une esthétique cohérente et avoir quelque chose de simple. Je pense donc aux interrupteurs Schneider Odace connecté Wiser. Je n’ai pas de passerelle Wiser mais j’ai cru comprendre que c’était pilotable via HA et une clé zigbee.
Est-ce réalisable simplement? Si oui comment cela ce passe au niveau du câblage sur un va et vient existant? Je dois passer en bouton poussoir j’ai cru comprendre? Egalement est-ce possible d’ajouter un 3eme interrupteur avec un système sans fil de ce type:

Autre question, j’ai des interrupteurs avec double commande, je ne trouve que des modèles sans fils (le même que le lien ci-dessus) permettant d’avoir une double commande, du coup cela signifie que ce n’est pas possible sur des interrupteurs double?
Merci de votre aide!

edit: également, si le système HA tombe en panne ou n’est plus accessible, est-ce que les interrupteurs tombent également en panne? ou ils fonctionneront toujours en mode non connecté?

Hello,

J’ai deux circuit en va et vient mais avec des variateurs Schneider Odace Wiser donc pas exactement ton cas d’usage.
Oui, les interrupteurs fonctionnent avec HA. Personnellement je suis avec zigbee2mqtt.
Oui, les interrupteurs fonctionnent en va et vient.
Oui, ils fonctionnent la domotique est hors service.
Avec trois interrupteur, je ne pense pas qu’un cablage type va et vient fonctionne (mais je ne suis pas un spécialiste). Un solution serait peut-être un va et vient et un bouton sans fil qui pilote l’interrupteur connecter. Par contre je ne sais pas si on peut relier ces interrupteurs entre eux sans passer par la domotique : ton troisième bouton ne marcherait alors qu’avec la domotique allumée.
Je n’ai pas vu de référence connecté double commande sur le site schneider.

Sinon très content des boutons wiser ils marchent parfaitement chez moi.

Merci pour la réponse!

Concernant le va et vient avec variateur, tu a mis 2 variateurs et donc deux interrupteurs ou bien tu as mis un variateur et laisser un interrupteur poussoir classique sur le deuxième bouton?
Sur le schéma de câblage de Schneider il semblent mettre un interrupteur poussoir classique en plus de l’interrupteur / variateur sur un câblage va et vient.

J’ai des boutons poussoir en face des variateurs. Mais je crois qu’on peut convertir un interrupteur en bouton poussoir via des ressorts vendus séparements.

Bonjour tout le monde :slight_smile:

Je me joins à la discussion, je souhaite remplacer un va et vient par soit un poussoir variteur odace wiser (Réf: S520522W), soit le variateur rotatif (Réf : S520513W) mais à l’origine, le disjoncteur pour ce va et vient est un 10A, mais dans les docs ils disent :

Calibre du fusible à associer : 16 A

Du coup je crois que je dois abandonner l’idée …

Y’avait aussi ce modèle de poussoir wiser sans variateur : Réf: S520530W en 10A, mais toujours les mêmes specs :

Courant assigné d’emploi : 10 A
Consommation en veille : Max. 0,4 W
Calibre du fusible à associer : 16 A

Bonjour,

16 A c’est un maximum pour l’interrupteur.
10 A ne posera pas de problème a l’interrupteur.
Et je rajouterais que ton circuit lumière est prévu en 10 A donc tu dois laisser 10 A

1 « J'aime »

Merci pour ton retour, je vais donc commander ça :wink:

Reste plus qu’à choisir, c’est pour piloter 4 ampoules extérieures. Le variateur me semble pas mal du coup

Bonjour,
Le sujet est clos, mais je souhaite rajouter des informations et confirmation au sujet pour tout le monde.
Personnellement, j’avais des interrupteurs classiques chez moi avec des spots tout ce qu’il y a de plus standard.
J’ai remplacé le tout par des interrupteurs Schneider Wiser unica réf. NU351518W et des spots dimmable classique.
Le tout fonctionne parfaitement avec HA et Z2M. L’appairage se fait sans problème.
J’ai également une prise électrique de la même marque réf. S520559, et elle est également pleinement prise en charge.
Le temps de réponse est normal, je n’ai pas eu de bug jusqu’à présent (plusieurs mois d’utilisation).

PS: j’ai refait mon serveur domotique et il a fallu que je réinitialise les interrupteurs et la prise pour que Z2M puisse les retrouver. L’information est disponible dans la doc des appareils. C’est simple mais pas forcément évident à faire malgré tout :slight_smile:
Voilà, j’espère que me petite expérience aidera la communauté.

Bonjour à tous,

Je me permets de déterrer ce sujet afin de recueillir vos conseils.

Actuellement je contrôle quelques spots avec deux va-et-vient de chaque côté de la pièce.

Je souhaiterais changer un des va et vient par par le modèle S520530W.

L’autre interrupteur, je ne peux car c’est un double va-et-vient.

Est-il possible de remplacer simplement un seul va-et-vient avec un interrupteur wiser ? J’avoue avoir quelques doutes avec le câblage…

@jeromarsan @Nicolas35 @Chicken qu’en pensez-vous ?

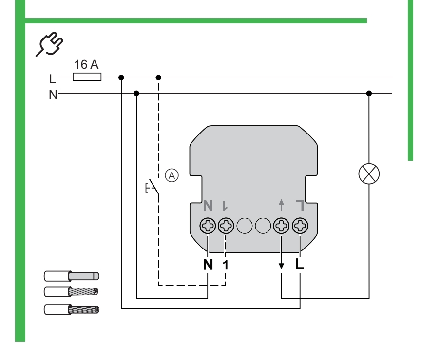
Ci-dessous le câblage de l’interrupteur actuellement.

Merci.

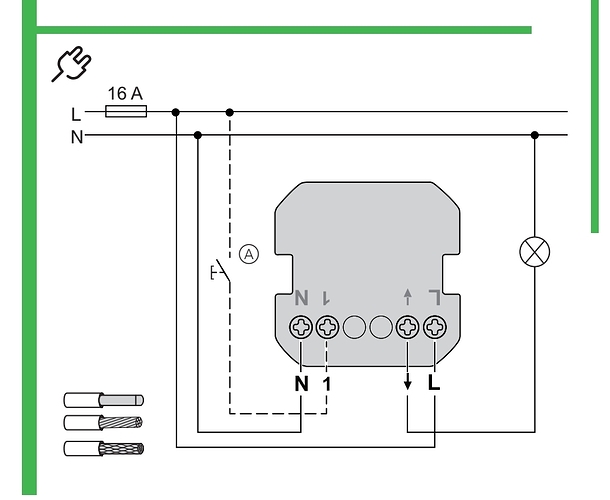
Ce n’est malheureusement pas aussi simple. Ce n’est pas possible sans faire de modification de cablage.

Pour ton bouton wiser, il te faut la phase et le neutre au niveau du bouton, ce qui ne semble pas être le cas.

Bonsoir @pascal_ha ,

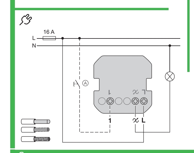
En regardant les schémas présentés plus au haut dans le fil de discussion je pensais qu’il était possible de le brancher. Le câblage semble similaire non ?

La problématique est que j’ai un va-et-vient de l’autre côté c’est ? Nous ne pouvons pas remplacer un branchement type va-et-vient <> va-et-vient par va-et-vient <> bouton poussoir c’est ça ?

La seule solution serait d’installer un bouton poussoir aussi de l’autre côté ? Le câblage dans ce cas peut-être identique ou pas ?

Merci

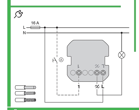
Sur le schéma plus haut, ce n’est pas le même type de bouton.
Ce sont des boutons (poussoirs ou rotatif) sans neutre.

Oui, il te faut remplacer les va et vient existant par des poussoirs et modifier le cablage comme sur le schéma et utiliser soit un poussoir variteur odace wiser (Réf: S520522W), soit le variateur rotatif (Réf : S520513W)

Mais attention:
Le bouton module doit être mis a la place du bouton ou se situe le départ vers la lampe.

Alors attention avec les S520522W, il est reconnu comme un autre produit Schneider dans HA et n’est pas utilisable chez moi, sur une installation simple comme une lumière de WC sans va et vient.

Étonnant que ce produit ne soit pas supporté par Z2M, il doit pas être très populaire dans le domaine de la domotique “sans hub propriétaire”.