Séparation de 2 lustres sur un câblage vas et vient

Bonjour,

J’ai un va et vient classique sans neutre. sur ce va et vient j’ai 2 lustres.

J’aimerai trouver une solution qui me permette de commander séparément les 2 lustres. (sans ajouter de câbles bien sûr, je n’ai pas envie de me lancer dans de gros travaux).
Un schéma classique ci joint correspondant à mon installation actuelle.

J’avais initialement pensais au schéma ci dessous (avec par exemple des modules types shelly 1 mini) mais du fait du câblage en série des modules , j’ai un peu peur que cela pose un petit problème de charge sur les circuits de contrôles… (et aussi ça fait 4 modules …)

des idées ?

Sans ajouter de fil/câble je vois pas

1 « J'aime »

Bonjour,

J’ai eu a peu près le même besoin. La seule solution que je vois dans ton cas consisterait à :

  • remplacer tes interrupteurs existants par des 2 boutons poussoirs connectés à deux modules Zigbee
  • installer sur chaque lustre un relais zigbee
  • coupler les interrupteurs aux lustres.
    Tu perds la possibilité de commander les lustres en dehors de HA, mais ils deviennent complètement indépendants.
    De mon côté, j’avais sur le même va et vient un lustre et des bandes led. J’ai opté pour une solution différente:
  • j’ai remplacé les bandes led par des bandes led Philips Hue (j’avais déjà un pont hue)
  • j’ai installé une ampoule Hue dans le lustre
  • je n’ai rien changé aux interrupteurs.
    J’ai donc les scénarios suivants:
  • les interrupteurs allument l’ensemble dans le dernier scénario avant extinction
  • sur HA ou sur l’application Hue, je peux choisir des scénarios que j’ai définis (comme l’allumage uniquement des bandes led par exemple)

Salut @ddfdom , pour ma part j’ai des SONOFF ZBMINI Extreme Zigbee Smart Switch ZBMINIL2. Ils ne nécessite pas de neutre et peuvent commander des vas et vient sans problème. Par compte il faudra remplacer les interrupteurs par des boutons poussoirs.

Ne touche pas au cable de interrupteurs qui reçoit la phase (autre que de le remplacer par un boutons poussoir)

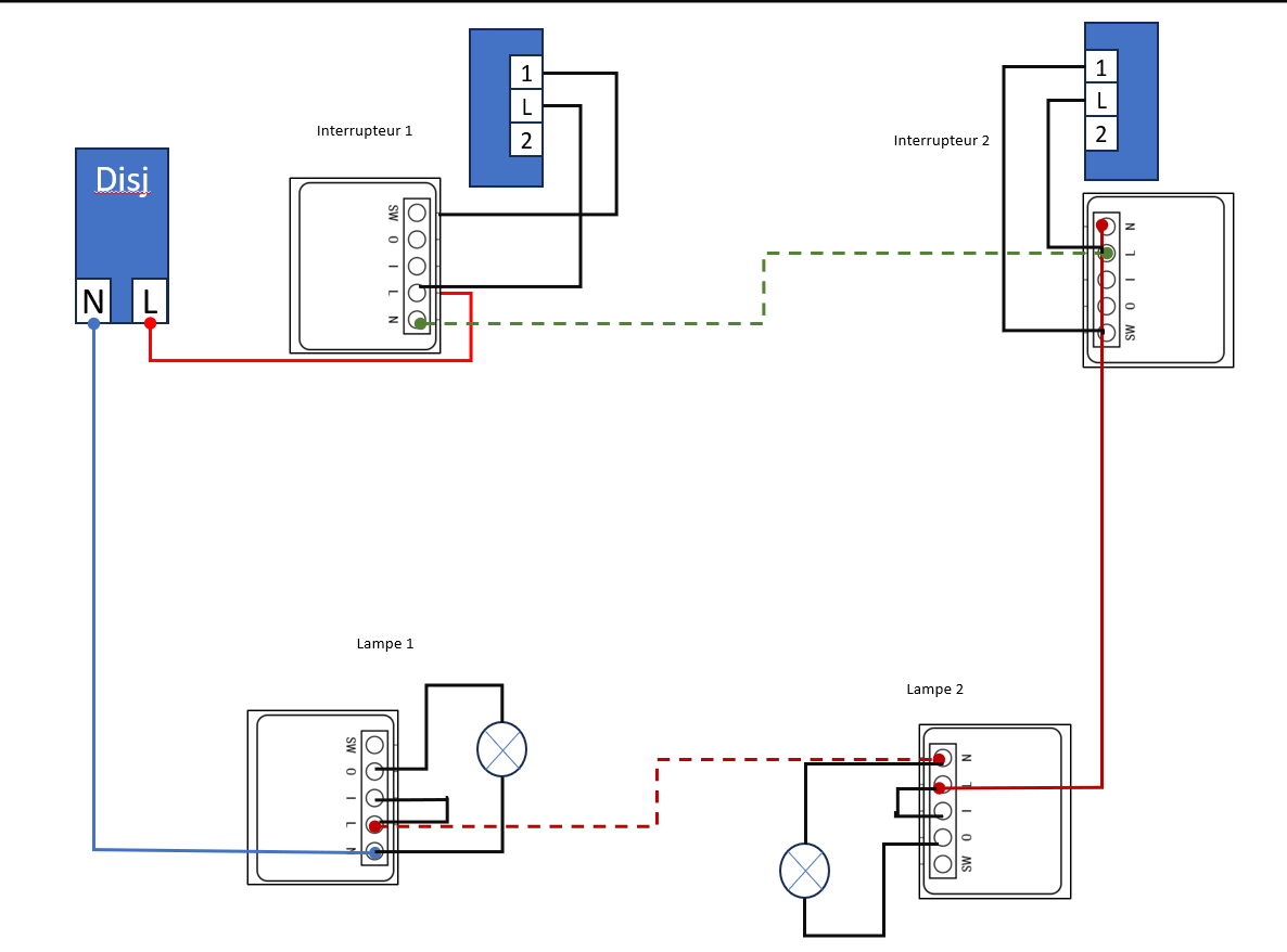
Côté Interrupteur 2 (celui où part le Retour Lampe)
C’est ici que tu installes le module Sonoff.

Borne L-In : Branche l’une des deux navettes venant de l’Interrupteur 1 (souvent le fil sur la borne 1).

Borne L-Out : Branche le fil de Retour Lampe (celui qui part vers tes ampoules).

Borne S1 : Connecte-la à la borne L (commun) de l’Interrupteur 2.

Borne S2 : Branche la deuxième navette venant de l’Interrupteur 1 (le fil sur la borne 2).

Mode d’interrupteur des ZBMINIL2 : Par défaut, le ZBMINIL2 est configuré pour des interrupteurs à bascule (rocker switch). Comme tu conserves tes interrupteurs actuels, cela devrait fonctionner directement (perso j’ai j’aimais essayer). Si tu décides de passer sur des boutons-poussoirs, il faudra appuyer 3 fois rapidement sur le bouton du module pour changer le mode.

Salut

Je ne vois pas en quoi le câblage que tu indiques permettra de commander indépendamment un lustre ou l’autre ?

Tu as pas vraiment lu son besoin ?

Hello,

Par rapport aux réponses précédentes :

@Gilles2 : comment tu alimentes les interrupteurs zigbee ? ou tu as des modèles “sur pile” ?

@Fred73 : J’ai essayé de faire ton schéma ci dessous.
Je ne vois pas le pilotage séparé des lumières ?
Il manque pas quelque chose sur l’interrupteur 2 ?

Sinon, j’ai eu l’idée suivante avec des Shelly 1 mini et des Shelly BLU Wall Switch 4 en replacement de mes interrupteurs actuels.
Les Shelly BLU Wall fonctionnent sur piles.
L’avantage est que cela peut fonctionner sans HA avec les actions et scripts de shelly.
(et avec HA pour d’autres automatisations)

Mais si vous avez d’autres idées …

Bonjour,
Comme expliqué sur mon message, j’ai opté pour la deuxième solution que je partage, pour laquelle je n’ai pas modifié les interrupteurs.
Pour la première solution que je propose, tu peux en effet mettre des interrupteurs à pile. Il y en a de multiples modèles. J’en ai un ailleurs dans mon logement, et je n’ai pas changé la pile depuis plus de 3 ans (il s’agir d’une commande Philips Hue, mais il y a de nombreuses autres options moins chères pour faire juste interrupteur).