Shelly gâche électrique

Bonjour,

Je possède un Shelly 1 mini gen3 et je souhaite l’installer sur une gâche électrique.
J’ai branché le L et N sur le disjoncteur de droite puis le O sur le - fil blanc du transfo et le I sur le + fil bleu du transfo. Les 2 fils correspondent à la gâche électrique.
Le Shelly est reconnu je l’ai paramétrer un bouton poussoir et mi un timer.
Malheureusement cela ne fonctionne pas.
Pouvez vous m’aider.
Merci


Là tu fais juste un court-circuit…

3 « J'aime »

Salut

Pour pouvoir t’aider, il nous faudrait un peu plus d’information.

As tu un schéma de cablage, ou le lien d’une notice ?

Ce qui est sur, si tu branched le I et le O du Shelly sur les bornes + et - de ton transformateur aiphone tu vas faire un court circuit :collision: comme dit par @Forhorse

1 « J'aime »

Merci de vos réponses.

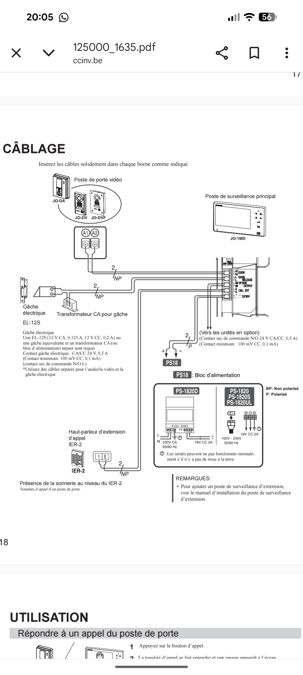
Voici le schéma de l’interphone.

Donc ton cablage n’est absolument pas bon

Tu dois brancher le contact I/O du Shelly sur les bornes du visiophone intérieur noté « door » (il me semble). La ou vont les fils de la gâche.

Le principe est que le contact du Shelly va remplacer le bouton du visiophone qui permet d’alimenter la gâche.

La photo du schéma me permet pas de lire correctement le repérage des bornes.

Effectivement sur les bornes LL comme dit @pascal_ha
image

2 « J'aime »

Je vais tester votre branchement demain, par contre le bouton de la platine ne fonctionnera plus?

Les deux fonctionneront, la platine et le Shelly

Par contre il faut régler ton Shelly correctement. Le Shelly doit alimenter la gâche juste le temps nécessaire à l’ouverture.

1 « J'aime »

Yes je vais mettre un timer de 0,1s comme pour le portail.

Salut

Selon le fonctionnement de ta gache il sera peut etre utile de mettre un temps plus long mais ça tu verras à l’usage.

1 « J'aime »

J’ai suivi votre schéma et ça fonctionne.
Je vous remercie

1 « J'aime »