Pas plus qu’un interrupteur a bascule
Un dessin mieux que des mots, et bien pas tjs, je n’ai rien compris! Pour moi il y a des court circuit des que les inters sont fermés. Alors que le texte est limpide.
« Que tu utilises… fonctionne toujours. »
Est-ce que c’est mieux ?

le bouton A correspond à ça et le bouton B à ça
Tu as raison tout ce que j’avais dessiné était en court-circuit. J’avais dessiné rapidement un carré autour de l’interrupteur en précisant que c’était du ZigBee mais j’aurais sans doute dû modéliser l’ensemble du schéma avec les microcontrôleurs et les antennes pour rendre le schéma plus clair…
Sinon fais gaffe Side, je crois que tu l’as ![]()
j’ai acheté des bouton poussoirs chez leroymachin et j’ai commandé les modules zigbee.
Avec toutes les réponses et solutions que vous m’avez donné, j’espère bien réussir à fair mon installation ![]()
Je reviens vers vous qudn j’ai tout installé (ou cassé), dans 2 semaines ![]()
Non ce n’était pas du 1er degré, pour moi c’était le contact du relais de l’inter Zigbee. évidement pour toi c’est limpide, mais pense aux autres quand tu expliques (ça c’est mon coté formateur et instructeur Aéronautique). Le deuxième schéma lève toute ambiguïté. J’avais quand même indiqué que les explications données par les liens étaient limpide.
Hello,
Je reviens vers vous après tout ce temps car j’ai enfin reçu mon matériel.
J’ai acheté ces boutons poussoirs et ces modules sonoff ZBMINIL2
J’ai essayé le branchement suivant

J’ai 4 problèmes :
- Si le zbmini n’est pas synchronisé, rien ne fonctionne
- zbmini synchro, quand j’appui sur le bouton, ça s’allume et si je relache, ça s’éteint
- zbmini synchro et mode roker(?) (3 pressions sur le bouton synchro), le poussoir S2 allume et éteint normalement la lumière, le S1 ne fonctionne pas sans que je sache pourquoi
- j’y comprend plus rien…
Est-ce que vous pouvez m’aider à comprendre ce schmilblick svp ?
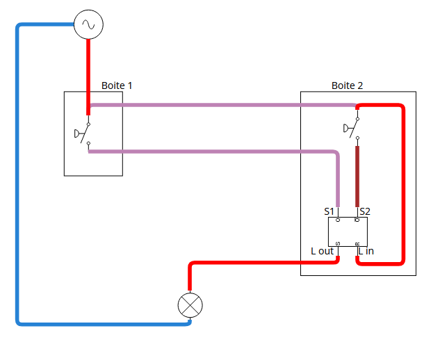
Bon ton cablage est faux
Les 2 poussoirs doivent être connectés en S2 rien ne doit être connecté en S1
Désolé schéma fait au doigt
j’y ai pensé, mais j’ai eu peur de créer un court-circuit.
au final, le s1 ne sert à rien ??
j’ai également ce module zigbee, est-ce que le S1 pourrait servir pour la sortie L1 et le S2 pour la sortie L2 ?
il faut bien regarder les schéma de cablage en gros S1 c’est la phase donc si tu vas chercher ta phase ailleurs rien a brancher dessus

tu pouurrais avoir 10 boutons poussoirs qu’il faudrait les cabler sur S2 quand même
tu confonds lorsque tu as plusieurs sortie tu vas forcement avoir plusieurs connecteurs pour les interrupteurs
c’est surement le cas mais il faut verifier avec le schéma de cablage
merci pour cette info, je ne savais pas que le S1 était en fait un +
Si je comprend bien le schéma suivant, le com est un + à connecter aux intérupteur 1 et 2 puis l’intérupteur 1 sur S1 et le 2 sur S2.
À moins que ça soit l’inverse et c’est chiant

Pas un + mais une phase il n’y a pas vraiment de + en courant alternatif
Y’a pas d’inverse il n’y a pas de sens vu le schéma tu dois avoir ton interrupteur entre com et S1 pour la sortie L1 et S2 pour la sortie L2
J’ai enfin réussi mon câblage et c’était à la fois simple et complexe.
Voici l’image initiale

Pour ce qui est de la lumière de l’entrée et de la cuisine, un zbmini L2 câblé correctement sur chaque poussoir et le tour est joué.
Pour les lumières du salon et de la salle à manger, j’ai utilisé ce module zigbee

Sur ce module, S1 actionne L1 et S2 actionne L2. On a donc un switch pour chaque lumière.
Le câblage est assez complexe donc prenez un doliprane et on est parti ![]()
Voici le schéma de câblage :
La phase en rouge, le neutre en bleu et la « phase vers lumière » en noir
En orange et en violet, ce sont les fils navettes déjà présent pour les va-et-vient.
En vert, on a les fils de commande
En marron, il s’agit du fil de commande COM, la phase pour alimenter les poussoirs
Si on aliment les poussoirs avec la phase du compteur sans le COM du module, rien ne fonctionne.
Si on aliment les poussoirs avec le COM sans la phase du compteur, ça ne fonctionne pas non plus.
On a donc :
- 1 fil navette (orange) qui sert de phase pour alimenter le module
- 1 second fil navette (orange) qui sert à alimenter les poussoirs qui sont dans la même boite
- 1 fil (marron) qui relie les 2 poussoirs et 1 fil (marron) qui relie les poussoirs au COM
- 2 fils (verts) qui relient chaque poussoir à 1 switch S du module
- 2 fils (noirs) qui relient chaque sortie L à une lumière.
Les fils rouges, noirs, oranges et violets sont déjà présents dans le câblage d’origine.
Les fils verts et marrons ont été ajoutés pour le fonctionnement.


