Domotiser porte garage Aperto 868 L Demande aide

Alors sur la doc il parle de 11-12 mais sur ma prise c’est numéroté de 1 à 6 :

Si je comprends bien ton explication, je connecte le 3 sur DC+, le 4 sur DC- et le 5 sur IN ?

du coup j’utilise pas le 6 ? (après le 4 et le 6 c’est peut être le même commun …?)

oui ça semble bien etre ça :+1:

c’est le cas

OK, merci. j’essaie ça.

1 « J'aime »

Youhouuuuu ! :tada:

C’est bon ça marche !

Manque plus que la partie cosmétique dans HA !

Je sais que je te l’ai déjà dis plusieurs fois mais encore un grand merci pour tout ton accompagnement. (des fois, tu dois te dire genre : “c’est quoi ce boulet qui sait pas raccorder un relai" !”)

quand je le pense je l’écris aussi :rofl: , tout est pas tjs simple
en tout cas content que ça fonctionne reste plus qu’a se lancer dans une tuile
mais meme avec bouton card ça doit etre pas trop compliqué
y’a un super article sur le portail

Bon ça va alors si je t’ai pas trop exaspéré :sweat_smile:

Bon assez rapidement, voilà ce que j’ai réussi à faire :

le bouton de droite est désactivé complètement et le bouton de droite sert à actionner la porte.

En YAML, ça donne ça :

   - type: custom:mushroom-template-card
     icon: |-
          {% if is_state(‹ switch.porte_garage_commutateur_2 ›,‹ on ›) %}
               mdi:window-shutter-open
          {% else %}
               mdi:window-shutter
          {% endif %}
     features_position: bottom
     entity: switch.porte_garage_commutateur_2
     area: garage
     grid_options:
          columns: 3
          rows: 2
     icon_tap_action:
          action: none
     tap_action:
          action: none
     vertical: true
     icon_color: |
          {% if is_state(‹ switch.porte_garage_commutateur_2 ›,‹ on ›) %}
               deep-orange
          {% else %}
               grey
           {% endif %}

   - type: custom:mushroom-template-card
     features_position: bottom
     entity: switch.porte_garage_commutateur
     area: garage
     primary: Ouverture/fermeture
     vertical: true
     grid_options:
          columns: 9
          rows: 2
     icon: mdi:power
     icon_color: |
          {% if is_state(‹ switch.porte_garage_commutateur_2 ›,‹ on ›) %}
               deep-orange
          {% else %}
               grey
          {% endif %}

J’ai mis des couleurs selon l’état du switch S2 du coup et mon bouton power à droite actionne le switch S1. et aussi le Logo à gauche change aussi selon l’état du switch S2.

Il faut que je vois si je peux grouper les 2 cartes en une pour faire plus jolie (pas de séparation en le logo de gauche et l’interrupteur à droite) et si je peux faire un bouton d’activation rectangulaire qui englobe le logo power et le commentaire ouverture/fermeture pour pouvoir appuyer sans être précis mais le principal est fait.

1 « J'aime »

C’est du beau boulot quand même mais dans ce cas tu ferais mieux de garder juste l’icône ouvert fermé en fonction de l’état et les du clique dessus ça ouvre et ferme

Ce sujet a été automatiquement fermé après 2 jours. Aucune réponse n’est permise dorénavant.

Merci @ddfdom pour ton compliment.
Pour la partie visuelle, je vais voir comment je fais.

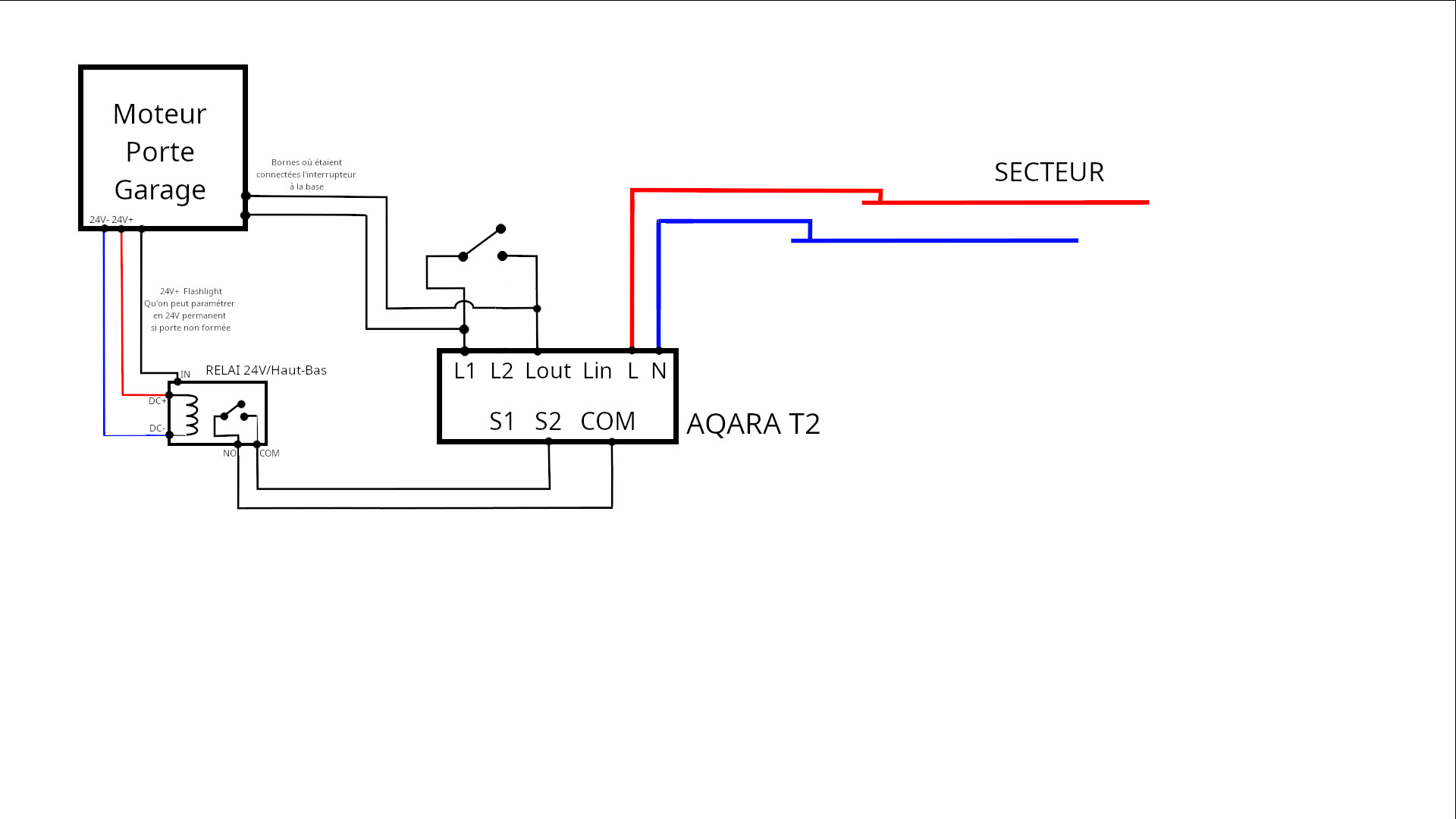
J’ai finalement eu un petit soucis par contre … quand j’utilisais l’application ou ma télécommande tout fonctionnait comme attendu, mais quand j’utilisais mon interrupteur mural branché sur S1, ça semblait parasiter S2 également, ne me donnant plus le bon état de ma porte que j’avais basé sur la position de S2.
Comme c’est uniquement S2 qui me donne l’état de ma porte et que S1 me servait juste pour brancher mon interrupteur mural, j’ai finalement mis le bouton mural en parallèle du module Aqara sur L1/LOut.
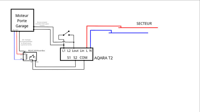
Voici un petit schéma :

Ah c’est étrange cette affaire
Vu que tu as le retour d’informations via S2 ça n’est pas indispensable

Pour le retour visuel le mieux ça reste custom button card même si c’est 100% ligne de code pour faire des choses simples va reste relativement accessible

Je te donnerai un de mes exemples

voila ce que j’ai fait avec custom button-card pour un retour visuel pour mon portillon c’est juste un bête switch qui active un relais sur une gâche 12V
voici le visuel
fermé


gâche activée (elle reste activée 5s le temps d’ouvrir le portillon)

et voici le code de la tuile

type: custom:button-card
name: portillon
label: 
aspect_ratio: 2/1
show_label: false
show_name: false
show_icon: true
section_mode: true
size: 40%
grid_options:
  rows: 2
  columns: 6
entity: switch.portillon
icon: |
  [[[
    return states['switch.portillon'].state === 'off' ? 'mdi:door' : 'mdi:door-closed';
  ]]]
styles:
  icon:
    - color: |
        [[[
          return states['switch.portillon'].state === 'off' ? 'green' : 'orange';
        ]]]

as toi d’y mettre les bonnes icones tes couleurs souhaitées et surtout le bon entity (ici moi c’est switch.portillon)
en gros pour toi la ligne entity doit correspondre a l’entité qui active le relais 1 et les 2 états correspondent au retour de ton etat de S2

Super ! Merci pour ton exemple de custom button :slightly_smiling_face:

1 « J'aime »

Ce sujet a été automatiquement fermé après 30 jours. Aucune réponse n’est permise dorénavant.