Domotiser ballon d'eau chaude classique - zigbee

Bonjour à tous :slightly_smiling_face:

Je créé ce sujet pour déterminer le schéma d’installation que je souhaite mettre en place pour rendre pilotable mon ballon d’eau chaude.
J’ai actuellement un ballon d’eau chaude de 2200W que je vais faire remplacer par un autre modèle mais de même capacité (stéatite au lieu de résistance blindé) donc à priori même puissance (je vais le faire confirmer).

J’ai lu les sujets suivants mais je n’ai pas trouvé une réponse claire pour mon besoin :

Je suis également tombé sur ce post mais la description des commandes n’est pas clair pour moi et du coup je ne sais pas quel schéma correspond à mon besoin : Domotisation d'un chauffe-eau avec Zigbee ou Z-Wave

En tout cas, mon installation actuelle est la suivante :
J’ai un contacteur jour/nuit relié au linky (j’ai un contrat heure pleines/creuses) et je souhaite le conserver.

Mon besoin est le suivant :
Je souhaite donc garder par défaut le fonctionnement du contacteur jour/nuit avec le linky.
A la demande, je souhaite piloter via Home Assistant et un module (zigbee si possible avec z2mqtt) afin de :

  • Pouvoir forcer l’arrêt à la demande jusqu’à nouvel ordre (si je pars en vacance par exemple)
  • Pouvoir forcer la mise en route jusqu’à nouvel ordre (pour le remettre en route avant un retour de vacances)
  • Pouvoir repasser en mode auto pour qu’il se gère tout seul avec le linky

J’ai mis sous forme de schéma mon installation actuelle :

Quel module conviendrait et comment le brancher ?
En lisant les autres schéma, j’ai l’impression qu’il faudrait 2 modules mais pas sûr.

Un grand merci par avance
Charles

Legrand a un contacteur connecté, qui pourrait convenir. Il faut remplacer le contacteur existant et modifier ton cablage, mais tu aurais seulement besoin de ce contacteur.

On en parle dans ce sujet:

1 « J'aime »

ou un shelly rail din pro 1 ?

Par contre, si coupure internet, il faut repasser par la marche / arrêt forcé.
Pour le legrand, ça se passe comment @pascal_ha ?

Je n’ai pas ce contacteur connecté, mais je pense que c’est similaire aux autres.

Il va continuer à fonctionner en local, mais tant que l’Internet n’est pas rétabli pas de fonctionnement possible a distance.

1 « J'aime »

Je n’ai pas eu l’occasion de tester pour le comportement du shelly, peut-être fonctionnera t’il en local aussi finalement

Tous les produits Shelly fonctionnent en local a 100%

1 « J'aime »

Bonjour @Charles26 ,je ne pourrais pas te répondre car j’utilise un routeur MsunPV avec un SSR pour gérer mon CE, mais j’ai plutôt une question, avec quoi as-tu fait ton schéma :

C’est un logiciel open source qelectrotech.

https://www.google.com/url?sa=t&source=web&rct=j&opi=89978449&url=https://qelectrotech.org/&ved=2ahUKEwjXr_GHqYSUAxUJUaQEHWxVJ1oQFnoECCQQAQ&usg=AOvVaw2Ntp25Lp_gKCpjwx8G9wzR

1 « J'aime »

Merci pour vos retours :slight_smile:

Oui j’avais vu il a l’air bien et effectivement, installation plus simple, mais… c’est relativement cher :sweat_smile:
Rajouter quelques câbles ne m’inquiète pas trop. Avant de prendre ma décision et pour comparer les options, je souhaitais savoir avec quel autre module je pourrais le faire et selon quel branchement ?

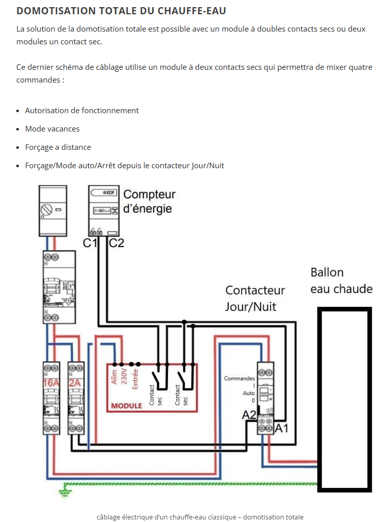
Si je reprend un des schéma ici (Domotisation d'un chauffe-eau avec Zigbee ou Z-Wave), dites moi si j’ai compris le principe mais je pense qu’il faudrait que je réalise ce type de branchement :

Avec un module à double contact sec, il permet en mode auto sur le contacteur d’origine :

  • Contact sec de gauche : Forcer l’arrêt s’il est ouvert (et celui de droite ouvert également)
  • Contact sec de droite : Forcer la mise en route en dehors des heures creuses s’il est fermé (peu importe l’état de celui de gauche)

J’ai bon ?
Si oui, il faudrait donc un module avec deux contactes secs ou 2 modules ?

Si possible en zigbee (z2mqtt) et non wifi :blush:

1 « J'aime »

Oui c’est bien cela. Par contre je ne connais pas de module avec deux contact sec en zigbee. Peut être le aqara T2 a vérifier.

1 « J'aime »

Shelly fonctionne en local MQTT mais dans ce cas pas de connection à distance.

Tout a fait le T2 possède 2 contacts secs sinon un Shelly 2 gen4 (les gen4 chez Shelly sont multiprotocoles)

Je ne trouve rien pour Shelly 2 gen4, il y a bien le Shelly 2pm gen4 mais c’est pas des contact sec il me semble.

Ce sont bien 2 contact sec si tu ne mets pas de charge sur L c’est juste un relais entre L O1 et O2

Edit : Bin non en fait puisque L c’est la phase pour alimenter le module pas de contact sec

Salut

Sinon tu peux faire exactement la même chose avec juste un contact sec et ha en virant le contact du linky et en faisant ta prog horaire sur ha.

Tu peux même utiliser pour ça un module qui envoie du 220 style zbminir2 pour piloter la bobine du contacteur.

Autre avantage de cette méthore, au lieu de faire commencer ta chauffe en debut d’heures creuses tu peux décaler sur la fin des heures creuses et faire du coup des economies.

Ex: chez moi les hc sont de 23h00 à 7h00, si le cumulus chauffe a 23h00 il finit ça chauffe disont à 2h30 et après il commence à refroidir et se remet a chauffer un peu plus tard. En programmant la chauffe à 4h00 jusqu’a 7h00 je n’ai plus ce phénomène et j’évite de multiples chauffes la nuit.

3 « J'aime »

Merci pour la confirmation :slight_smile:
En effet pour le Aqara T2 je l’avais pas vu ce modèle :+1:

Merci pour ton idée @Tochy !
Du coup si je prend un zbminir2 et que je n’utilise plus le linky, est ce que le schéma ressemblerait à ça ?

1 « J'aime »

Oui, c’est bien ce cablage avec un zbminir2.

1 « J'aime »

Merci @pascal_ha !

Bon du coup je pense que je vais partir sur cette solution, la différence de prix est grande quand même avec le module connecté Legrand, même si je perds la remonté de conso.

Allez je vais commander et je vous ferai un retour
Merci à tous !:raising_hands: :grinning_face:

Oui, mais a grand prix, grande qualité !

Les deux appareils sont pas vraiment comparable.

Le Legrand est prévu pour être mis sur un rail DIN en replacement de l’existant, il permet le contrôle du contacteur de façon autonome en auto(C1/C2 linky), manuel ou arrêt et mesure la consommation.

Le Zbmini peut faire a peu prêt la même chose, mais avec l’aide de HA (sauf la mesure de consommation où il faut ajouter un module avec pince).

Mais tu peux faire l’essai avec le zbmini, si ça ne convient pas, tu pourras toujours changer et utiliser le zbmini pour autre chose.

1 « J'aime »