Module WIFI climatisation AIRTON

ba ca dépends surtout de ton wifi, si tu capte mal a certains endroit xiao c3 car il a une antenne externe mais tu perds le bouton reset (pas vraiment utils en soit ^^), si ca va esp32 wroom 32 (mais attention les qualités peuvent variez, prends bien le lien d’amazon)
en soit si tu as un doutes prends le xiao c3 pas de variation, qu’un seul fabriquant et qualité constante, pour des raisons de coup tu peux prendre le Channels Logic Level Converter fournis en lien sur mon github ca marche très bien, je me suis juste fait un kiff pour celui que j’ai fait avec des composant plus adapté mais en soit j’ai pas vu la diff ^^ (en gros c’est juste que la clim communique en 5v sur le rx/tx et l’esp est certifié que en 3v donc un risque de cramer l’esp, bien que le risque soit faible)

par contre attention je ne garantie pas de maintenir le github Ad vitam æternam, car esphome sont extrêmement relou sur leurs mise a jour a cassé une truc une release sur 2 en sachant qu’il en font 4 par mois, je peux pas forcement tenir le rythme, donc on verra a la longue.
je te conseillerais de deja testé avec 1 module voit si ca te convient, et si tu arrive a la faire fonctionner car il faut souder un peu quand même…

par contre attention les pololu sont parfois assez difficile a se procuré, mais je les aient choisi pour leurs coté compacte, et leurs fiabilité (car on ne déconne pas avec l’alimentation, surtout que le module reste brancher h24 7j/7).

et non je vends pas de module tout fait c’est trop d’emmerde, je l’ai fait sur d’autre projet par le passé, et a part me faire un troue dans le portefeuille et m’agacer au point que j’ai tout simplement fermer le projet cela ne m’a rien apporté…

JLCPCB fait les 2. Tu peux leur acheter le PCB seul, ou commander le PCB + l’assemblage de composants.
Mais l’assemblage engendre pas mal de frais annexes et n’est pas forcement rentable pour une production à l’unité.
Pour 6 modules ça peut valoir le coup, mais il faut bien préparer le projet et choisir des composants qu’ils ont couramment en stock, faire assembler une seul face (le double face fait exploser les prix) et utiliser quasi exclusivement des CMS (chaque soudure de composant traversant engendre aussi des frais) Tu peux aussi oublier l’assemblage de modules tout fait comme « logic level converter » utilisé par devildant pour son projet, c’est pas dans leur catalogue de composant : il faudra soit implanter tout même ces modules sur le PCB, soit inclure directement cette fonction sur ton PCB avec des composants classiques.

Si tu as l’habitude de dessiner des schémas électronique, de choisir des composants dans un catalogue revendeur et de router un PCB alors fonce.
Sinon, laisses ça à ceux qui savent ou fais toi aider et attend toi à y passer un peu de temps avant d’avoir un truc qui soit fabricable par eux sans que ça coute un rein.

Je l’ai fait le mois dernier pour faire fabriquer 5 modules afficheur LED grand format et franchement c’est top , j’en ai eu pour un peu moins de 10€ par PCB tout compris (composants CMS par PCB : 2 circuits série 74HC, 16 transistors, 32 résistances, 2 condensateurs) frais de port et de douane inclus. Rien que l’achat des composants seuls chez un revendeur traditionnel aurait couté plus cher.
Là j’ai une commande en cours pour 30 exemplaires d’un petit circuit j’en ai pour moins de 5 euros par PCB (dont un connecteur qui coute à lui seul 2.5€) idem avec frais de port et de douane compris.

Pour le coup mon level logic converter est fait avec des composant trouvable directement sur jlcpcb et tout les composants sont sur une seul face :stuck_out_tongue:

Mais il est pas forcement utils au vu de la vitesse de communication, mais c’etait pour en faire un dédié au projet, optimisé pour la communication uart (et non multi directionnel pour avoir un truc plus robuste)

C’est surtout que je voulais le faire et le faire assembler par jlcpcb, mais en vrai le ratio prix interet est pas fifou ^^

Oui j’ai répondu alors que ça faisait un moment que j’étais pas allé sur ton github. J’ai vu après que tu proposais les fichiers pour faire fabriquer ce module.

Après perso je vois pas trop l’intérêt de faire fabriquer un module « logic level converter » par JLCPB pour ensuite leur refaire faire un autre PCB sur lequel venir souder le module.
Autant faire fabriquer directement le PCB principal avec les composants du « logic level converter » directement dessus non ?

Est-ce que tes PCB sont dessiné avec EasyEDA ?
Si oui, et si tu veux bien me donner l’export des différentes versions et celui de ton « logic level converter » je veux bien les redessiner en fusionnant les 2.

Alors en soit j’ai pas réussi a faire tout en un ca revenait trop cher unitairement, et ca reste mes premier design de pcb en solo, et j’aime bien pouvoir remplacer des parties du module sans devoir tout changer.

Mais si tu arrive a faire un truc tout en 1 fonctionnel, je pourrais le mettre sur mon github ou un lien vers le tiens :slight_smile:

ya tout les fichiers sur mon gitlab et oui avec EasyEDA

J’ai commencé à regarder. J’aimerais bien essayer de faire un PCB tout compris (ESP, Alim, Level Shifter), qui puisse être fabriqué par JLCPB sans que ça coute un bras.
Bon déjà exit le 74LC2T45, c’est beaucoup trop luxueux pour l’application prévue… c’est un level shifter pour bus bidirectionnel… là les infos vont toujours dans le même sens (on est sur du bon vieux protocole RS232), en plus vu la configuration il en faut 2; donc 4 lignes, alors que seulement 2 lignes sont utilisées, c’est du gaspillage donc pas besoin de ça.

Pour l’ESP j’hésite entre partir sur un simple ESP32, à priori suffisant pour le projet, mais qui nécessite soit d’embarquer un convertisseur USB<-> Série pour le premier flash, soit d’utiliser un convertisseur externe (donc des manips supplémentaires que tout le monde ne maitrise pas)
Soit un ESP32-S3 qui a un port USB natif, donc en gros juste besoin de prévoir un connecteur USB-C (je simplifie mais à peine)

Bon courage ^^

Je dirais que plus c’est plug and play mieux c’est ^^ donc je dirais usb integré, je pense que ca serait le mieux, apres attention tout les esp ne fonctionneront pas avec le code actuel, j’ai du faire des adaptation pour le c3 et le c6.

Et concernant l’esp si j’ai fini aussi par abandonné c’est que faut vmt un schema et des composant au petit oignon, car les clim envoi pas bcp d’energy…

C’est pour ca que certains on eu des difficultés avec certains esp32 wroom 32, il ne fonctionnait tout simplement pas avec la clim, il ont du les remplacer par ceux que j’ai mi en lien sur mon github, je soupçonne un problème de conversion 5v/3v…

J’avais try de faire une premiere esquisse mais ca montait hyper vite coté prix on se rapprochait dangereusement du prix du module officiel… Et comme j’avais deja invest pas mal d’argent dans le projet je me suis arrêté la…

Apres je suis dev et pas électronicien, ca été mes premiers pcb/design électronique solo la ^^ je faisais ca mes soirs et week end donc si tu as les competence tu fera un truc mieux que moi c’est sur ^^

Pour le moment je suis parti sur un ESP32-C3-MINI finalement.
J’essaye de coller le plus possible au hardware de ta solution actuelle mais en mettant tous les composants sur le même PCB avec le strict nécessaire.
J’ai pas mal bossé sur le schéma hier. Il me reste encore quelques trucs à valider avant de passer au routage à proprement parlé.
Niveau routage justement, je suis parvenu à importer un de tes PCB puis ne garder que le contour du circuit afin que ça puisse prendre place dans le même boitier (même si je pense qu’il sera nécessaire de faire quelques adaptations mineures.
Faut juste que je revois un truc au niveau des trou de fixation, je me retrouve avec 3 trous dans le PCB et je comprend pas trop pourquoi.
Je vais voir aussi pour mettre un connecter JST XA sur le PCB, histoire d’être le plus « plug-n-play » possible.
Pour l’instant j’en suis pas encore au stade du devis pour voir combien ça couterais. Mais la majorité des composants ne coutent que quelques centimes. Le plus cher, on s’en doute, c’est l’ESP32, à environ 4$

Sur les PCB que tu as fais, je pense comprendre pourquoi tu trouves que les modules avec antenne wifi intégrée ne captaient pas bien. Le placement du module est vraiment pas optimal niveau antenne : l’antenne se retrouve au milieu du PCB, ce qui n’est déjà pas top (beaucoup de surface de cuivre à proximité immédiate) mais en plus elle se retrouve pile à côté du convertisseur DC/DC qui doit rayonner un max de bruit électromagnétique. Je dirais que c’est le pire combo possible pour avoir une mauvaise réception.
Je vais tenter de faire mieux…

Le troue qui te pose souci c’est je pense lui, c’est un troue de guidage pour le boitier que j’ai fait pour aider au placement, car j’ai du prevoir des tolerence largue, initialement il etait prevu pour soutenir le pololu mais finalement ce n’etait pas necessaire mais il est resté en guidage ^^

Pour l’antenne j’ai fait une autre version avec une zone sans cuivre sous l’antenne, mais cela n’a fait aucune difference sur la force du signal, j’ai essayer aussi sans le pcb pour voir idem.

Se choix de position a etait faites pour pouvoir rentré dans les espace prevu pour le module (sur la mienne par exemple j’ai un emplacement avec des fixation et peu de marge), et que pour tout soit accessible…

On m’avait deja fait la remarque mais au final peut importe comment je le positionne (le faites que l’esp soit sur des pin lui donne un espacement suffisant pour ne pas affecté l’antenne, meme la proximité avec le convertisseur n’a aucune incidence d’apres mes testes), le plus gros probleme pour l’antenne est la clim elle même, la seul fois ou j’ai constaté un gain de signal c’est sur les c3/c6 en antenne externe car la surface de l’antenne est plus importante

Oui c’est ce trou là. Je vais essayer de le conserver, mais c’est gênant si je le supprime ?

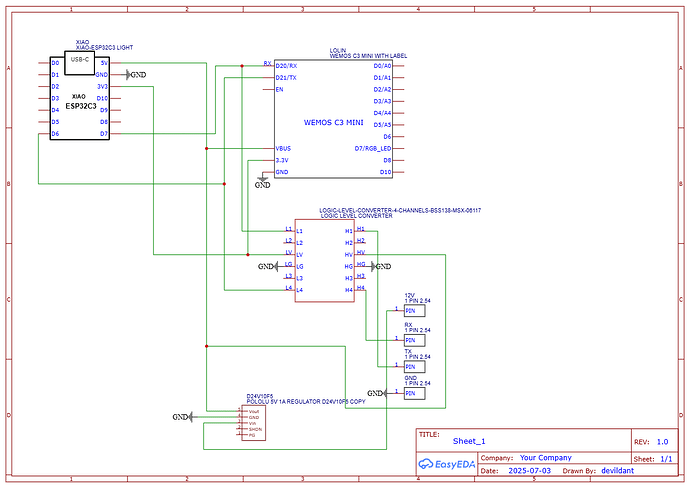
Voilà une première version du schéma. Si certains ont envie de faire la chasse aux erreurs je prend (même si j’espère ne pas en avoir fait)


Vu que ça semble rassurer certains, j’ai utilisé des « level shifter », même si je pense qu’un pont diviseur dans un sens et un transistor dans l’autre sont suffisants. Mais bon, à 0.08$ le composant, au final ça ajoute pas spécialement de surcout et j’espère que ça ajoute une protection ESD pour l’ESP.

Niveau étage d’alimentation c’est du classique que l’on trouve sur les modules ESP parce que au final, après m’être pris la tête un moment à chercher mieux, c’est le moyen le plus simple de gérer la double alimentation USB / externe. La conversion 12V->5V est faite avec le même régulateur embarqué sur le D24V10F5, j’ai juste adapté pour une tension de 12V et un courant max de 500mA afin de réduire le cout des composants. De toutes façons a ce que j’ai compris la clim ne peut pas fournir une puissance très importante sur le 12V, donc pas besoin de prévoir un gros convertisseur si c’est la source qui limite.

Pour ce qui est de la connexion avec la clim, je suis donc parti sur un connecteur JST-XA, ce qui permet d’utiliser les faisceaux aliexpress « reverse direction » tel quel sans rien couper ni souder. J’espère juste que dans ton explication, quand tu parle de TX et de RX c’est bien vu côté ESP (et pas côté clim…) c’est a dire que l’ESP envoi sur le fil jaune, et reçoit sur le fil noir.

J’ai prévu aussi des emplacements pour des « header » au pas de 2.54mm afin de sortir quelque GPIO supplémentaires (ça peut servir) et aussi la possibilité de programmer en passant par l’UART0 plutôt que par l’USB. Mais ça sera surtout si j’ai la place sur le PCB et par défaut il n’y aura rien de soudé dessus (c’est « au cas ou »)

J’ai aussi prévu 2 LED; une verte « power » ça mange pas de pain, et une bleue sur le GPIO3 qui pourra être utilisé comme led de « status » dans le programme. Est-ce une bonne idée ou ça vire ?

En soit non :slight_smile: mais il faudra modif le design du boitier ou simplement le couper si deja print

Sur le pcb dans mes souvenir ce que j’ai marquer rx corresponds au rx de la clim et tx pareil

Donc sur le pcb

Rx => h4 → l4 → tx esp

Tx => h1 → l1 → rx esp

J’ai suivi se qui etait fait sur le module officiel pour pas me planter

J’ai mi a chaque fois les fichiers easyeda normalement.

Si tu as besoin je peu te partager les schemas

Ah ouais donc faut que j’inverse…
Normalement par convention, les indications correspondent du point de vu de l’appareil pas de ce à quoi il se connecte (on fait pas correspondre RX avec RX et TX avec TX, mais toujours TX avec RX et inversement) ça évite justement les confusions.

Si tu peux partager le schéma je vieux bien, histoire de lever le doute. Sinon je vais me débrouiller avec l’import d’un PCB et suivre la trace.

EDIT : Bon en fait, comme j’avais fait une erreur et croisé TX et RX par rapport à ce que je voulais faire, mon schéma est bon…

1 « J'aime »

a oui ca je suis d’accord, ca ma également perturbé au debut, surtout quand j’ai analysé le tx/rx pour faire le projet ca m’a induit en erreur également, mais c’était fait comme ca sur le module officiel alors je me suis caller dessus

et je viens de re verif c’est bien ca le marquage sur mon pcb correspond bien au rx/tx de la clim

ca c’est pour le pcb compatible lolin c3, xiao c3 et c6, si tu regarde sur le lolin c3 sont RX → L1 → H1 → TX

J’ai fini une première version du layout, quelques points sont à reprendre mais globalement l’idée est là.

Je me suis servi pour faire un devis chez JLCpcb mais malheureusement le choix de l’ESP32-C3-MINI-1-N4 ne semble pas judicieux. Pour faire assembler ce composant ils demandent de passer en « standard » qui impose tout un tas de frais supplémentaire (donc directement 25$ de « setup ») ce qui met le lot de 5 cartes assemblée à 101€ avant frais de port et frais de douane… autant dire que ça met la carte à au moins 30€. A moins d’une grosse commande groupée, c’est pas un bon plan.

Je vais explorer d’autres options.

J’ai fait une simulation avec un ESP32-C3-WROOM-02-N4 qui permet de rester dans la gamme « economic » pour l’assemblage de composant, et ça met les 5 cartes à environ 100€ tout compris (soit 20€ par carte)
Si je compare à :
Lolin ESP32-C3-mini à environ 5.5€
D24V10F5 entre 5 et 10€ suivant le revendeur
level shifter CYT1076 à 0.5€ (mais faut les acheter par 10)
PCB nu JLCPCB à 0.8€ (mais faut les acheter par 5)
On est sensiblement dans la même gamme de prix… dans un cas c’est un peu plus cher mais ça arrive tout fait en mode ‹ plug-n-play › (juste à charger le firmware) dans l’autre il faut acheter les composants individuellement (avec peut être des frais de port à chaque fois si on trouve pas tout au même endroit) et faut les souder soit même.

Je pense que je vais finaliser la conception du truc et mettre les fichiers à disposition. Mais n’ayant qu’une seul clim, et étant déjà équipé du module wifi d’origine, je ne vais pas lancer la fabrication de 5 modules si ça n’intéresse personne.

S’il y a 5, 10… ou plus, personnes d’intéressées pour acheter ces modules et donc faire une commande groupés (je peux m’en charger, ou y participer, et on discutera alors des modalités en DM) ça peut être valable de lancer une fabrication. Si je le fais, je le ferrais bénévolement, ça sera donc « prix coutant » mais je donne juste mon temps, pas mon argent…
Mais si ça n’intéresse personne alors ça en restera là.

Je te comprends tout à fait, tu te retrouve dans la même situation que moi, ca se rapproche du coût du module officiel…

Sur jlcpcb tu peux dans mes souvenir faire assembler au minimum 3 modules (c’est toujours mieux que 5) mais si tu en as besoin d’un seul ca fait des produits en trop et prix trop élevé.

Pour ca aussi que je me suis stop au pcb modulaire que j’ai fait car bien que plus cher unitairement, c’est moins cher que l’assemblage de plusieurs module.

Pour ce qui est du coût personnel je te comprends aussi, moi ca ma couté cher de faire les proto et valider le projet.

Du coup moi la j’arrête les frais pour se projet (financier).

Mais en tout cas merci pour ton travail et ton temps, partage tes fichiers d’assemblage (gerber…) pour que quelqu’un j’espère les fasse fabriquer et les tests ^^

Pareil pour la vente de module faut deja avoir une entreprise pour le faire, sinon c’est en zoom zoom et au moindre problème tu es dans la merde, et quand bien même si les acheteurs annule les commandes, tu te retrouve avec des modules sur les bras et plu d’argent.

C’est se que j’ai subis sur d’autre projet, du coup je ne re tenterais pas l’exp :slight_smile:

Tous les fichiers sont disponibles sur github GitHub - Forhorse88/PCB_acw02esphome: PCB for acw02 climate control from ESPhome
L’export du projet EasyEDA pour pouvoir modifier le schéma ou le PCB si nécessaire
Les fichiers de fabrication à importer directement chez JLCPCB
des captures de rendu.

2 « J'aime »

Salut, je viens de découvrir le sujet, merci à @devildant et @Forhorse pour votre boulot :grinning_face:

Moi je suis chaud de payer pour les 5 modules et de vous en laisser 3 à vous deux qui avez contribué à tout ça, je n’en ai besoin que de deux.
Par contre, je veux bien que l’un des deux qui ait l’habitude de commander sur JLCPCB le fasse, et moi je vous fais un virement et vous file une étiquette Colissimo pour recevoir mes deux modules.
ça vous dit ?