Je peux me charger de la commande, je suis un client « régulier » JLCPCB, j’ai l’habitude de commander chez eux.
Est-ce que c’est urgent ? On peut peut être laisser passer une petite semaine voir si ça intéresse quelqu’un d’autre.
Salut, merci pour ta réponse. Pas de soucis on peut attendre un peu, j’aimerais bien y avoir pour la mi-mars ![]()
Bonjour,
J’ai repris l’historique depuis le début, et lu en diagonale sur la fin,
Moi je suis potentiellement intéressé pour 3 module compatible avec mes clim Airton et l’application Smart life,
Et je peux rien faire moi même en électronique, des nc plug and play🙄
Je travail à une version un peu améliorée (connecteur vers la clim horizontal plutôt que vertical et PCB 4 couches) et quand c’est prêt je reviens vers vous pour qu’on s’arrange pour la commande.
La nouvelle version est quasiment prête (je dois juste encore tout revérifier 3 fois pour espérer qu’il ne reste aucune boulette dans le schéma / layout)
Les grosses modifications / ajouts / amélioration de cette version :
- Utilisation d’un connecteur horizontal pour le câble vers la clim (limite la hauteur totale une fois assemblé pour avoir plus de chance que ça rentre dans le boitier conçut par @devildant )
- Passage vers un PCB 4 couches pour une meilleure gestion de l’impédance des pistes (le surcout n’est pas énorme)
- Utilisation d’un CI de protection ESD pour la ligne USB plutôt que de diodes individuelles
- Remplacement du condensateur tantale en sortie du DC/DC par des condensateurs céramiques (moins cher, meilleur pour l’environnement)
- Utilisation au maximum de composants en stock de base JLCPCB plutôt que de composants du catalogue étendu (ils demandent 2.5€ de frais d’assemblage pour chaque référence du catalogue étendu) => réduction du cout de fabrication
- Ajout d’un emplacement pour connecteur pour une sonde de température type NTC https://fr.aliexpress.com/item/1005010062523011.html (je me suis dis que ça pourrait être utile d’avoir la possibilité de brancher une sonde de température déportée et ça ne coute pas grand chose de le prévoir)
- Suppression du second header de GPIO disponibles (pas trop la place)
- Branchement de la led « power » sur le 3.3V plutôt que sur le 5V → si elle est allumée c’est que les 2 tensions de fonctionnement sont disponibles, ce qui n’est pas forcement le cas si elle est sur le 5V
- Suppression du trou pour le bossage supplémentaire de soutient de la carte d’alim dans le PCB conçut par @devildant, avec le connecteur horizontal ça ne passait vraiment pas… il va falloir modifier un peu le boitier.
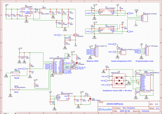
Le schéma de la version actuelle:
J’ai fais un devis chez JLCPCP pour cette version, et si j’en commande 10 exemplaires (je crois les doigts pour n’avoir fait aucune erreur…) ça revient à moins de 20 € par module.
Je contact en DM ceux qui ont manifesté l’intérêt pour participer à la commande, mais si d’autres sont intéressé il y aura des cartes de disponibles.
Salut les gars
J’ai trouvé une alternative
Pas besoin de vous manger le cerveau
La solution coûte 23,69€.
Trop bien merci ! Moi je suis chaud, je paye 4 modules et vous en laisse 2 pour vous rétribuer toi et @devildant ![]()
La commande chez JLCPCB est faite. Sauf mauvaise surprise de dernière minute (une nouvelle taxe inventée par notre gouvernement ?) on est à moins de 15€ par module arrivé en France.
Par contre avec le nouvel an Chinois, le délais risque d’être plus long que d’habitude.
Salut,
Super projet très fun a faire.
C’est ma 1re interaction avec HA je précise, mais j’ai l’impression de louper un truc.
les commandes marche sans problèmes, mais impossibles d’avoir la sonde de température elle reste sur 0C°, même pire j’ai l’impression que le module ne remonte aucune data (exemple je l’allume avec ma télécommande sur HA il me dit pas que de la clim est actuellement en fonctionnement.)
Une idée de ce que j’ai oublié ? Si vous pouvez me dire ce que vous avez besoin niveau fichier debug pour m’aider.
Merci d’avance.
Tu as trouvé un module compatible ?
Bonjour, merci Forhorse pour votre réponse. Je suis deg je n"ai pas eu la notif…
Du coup j’ai loupé une commande groupée c’est ça ? arf
Perso j’aurais besoin 6 modules (et je pense plutot 10), du coup j’étais parti sur les modules en DIY sauf que je ne suis pas électronicien.. un bricoleurs pas trop mauvais au mieux. Je ne sais plus trop quoi faire. ![]()
Vous me conseillez quoi ?
Merci
Bonne nouvelle, j’ai reçut les modules aujourd’hui !
Flash du firmware par USB OK !
En test sur ma clim, tout semble fonctionner (même la suppression de ce pt1 de bip fonctionne !)
La seule interrogation restera la portée du wifi. J’ai fait en sorte d’optimiser au mieux mais ça reste assez aléatoire. Chez moi la box n’est pas loin de la clim donc pas de soucis (là le module m’indique -52dBm mais le module pendouille au bout du câble et il y a juste un gros mur en pierre à traverser.
Ce week-end j’essaye de contacter en privé ceux qui avaient précommandé des modules qu’on se mette d’accord sur les modalités de livraison.
Et comme il n’y a pas eu de frais surprise à la livraison, on est à 13.30€ / module ! (auquel il faut ajouter les frais de port entre chez moi et chez vous bien entendu)
@frenchyyii
Comme tu le vois, pour cette fois je n’ai fait fabriquer « que » 10 modules. Vu le nombre qu’on m’a déjà demandé, je ne pourrais donc pas t’en fournir 10, ni même 6… mais je veux bien te revendre les modules restant de cette commande et si cette première fournée te satisfait, en faire fabriquer d’autres.
la clim elle même parasite pas mal le signal wifi
en tout cas tes pcb sont propre gg, donne moi ton lien de repos si tu veux, comme ca je te mentionnerais dans le mien ![]()
Est-ce que tu veux un exemplaire ?
C’est cadeau, après tout sans ton boulot on en serait pas là.
c’est très gentil, mais j’ai deja pas mal de proto fonctionnel :), vends le ca fera surement plaisir a quelqu’un ![]()
tiens moi au ju lorsque tu aura mise a jour ton github que je mette le lien, sauf si tu veux pas bien sur ![]()
en attendant voila le stl modifier pour ton pcb (j’ai enlever le pignon de placement) acw02_esphome/3Dfiles/full pcb by Forhorse/full pcb acw02 case bot with air flow.stl at main · devildant/acw02_esphome · GitHub
Je ne maîtrise pas du tout github. J’aimerais mettre les 2 versions et faire un petit readme mais faut que je penche sur la question. Je reviens vers toi quand c’est fait
Voilà, 6 modules sont en route. Vous devriez les recevoir d’ici quelque jours.
Afin de tester les modules, je les ai flashé avec un firmware « générique » dont le YAML de base est le suivant : (Version pour l’add-on ESPHome Builder pour Home Assistant, si vous utilisez ESPHome sur une autre plateforme, il faudra certainement modifier la partie « external_components: » et « packages: » pour utiliser des sources locales : voir le github de @devildant GitHub - devildant/acw02_esphome · GitHub )
J’ai désactivé pas mal de paramètres de sécurité pour que ce soit plus simple à mettre en route. Mais suivant votre configuration / situation il faudra les réactiver (voir plus bas).
substitutions:
dev_name: acw02-setup
dev_friendly: ACW02setup
lang: "fr"
api_encrypted_key: "REPLACE_WITH_YOUR_API_KEY"
ota_password: "REPLACE_WITH_YOUR_PASSWORD"
ap_password: "fallbackpassword"
web_server_username: admin
web_server_password: admin
## LOLIN ESP32 C3 MINI
board: lolin_c3_mini
TX: GPIO21
RX: GPIO20
acw02_ref: main
esphome:
name: ${dev_name}
friendly_name: ${dev_friendly}
platformio_options:
build_flags:
- -DDLOCALE_LANG=\"${lang}\"
- -DDBOARD=\"${board}\"
esp32:
board: ${board}
framework:
type: esp-idf
web_server:
port: 80
# auth:
# username: ${web_server_username}
# password: ${web_server_password}
version: 3
log: true
local : true
include_internal: true
logger:
level: INFO
api:
# encryption:
# key: ${api_encrypted_key}
reboot_timeout: 0s #in test for not forcing using esphome native
ota:
- platform: esphome
# password: ${ota_password}
- platform: web_server
wifi:
min_auth_mode: WPA2
#ssid: !secret wifi_ssid
#password: !secret wifi_password
power_save_mode: none
# networks:
# - ssid: !secret wifi_ssid
# password: !secret wifi_password
# - ssid: !secret wifi_ssid2
# password: !secret wifi_password2
# - ssid: !secret wifi_ssid3
# password: !secret wifi_password3
ap:
ssid: ${dev_friendly}
password: ${ap_password}
mqtt:
broker: ""
username: ""
password: ""
enable_on_boot: false
discovery: false
keepalive: 30s
log_topic: null
clean_session: false
idf_send_async: false
wait_for_connection: false
topic_prefix: ${dev_name}
birth_message:
topic: ${dev_name}/status
payload: online
will_message:
topic: ${dev_name}/status
payload: offline
captive_portal:
uart:
id: uart_acw02
tx_pin: ${TX}
rx_pin: ${RX}
baud_rate: 9600
stop_bits: 1
rx_buffer_size: 1024
external_components:
- source:
type: git
url: https://github.com/devildant/acw02_esphome
ref: ${acw02_ref}
packages:
acw02_entities: github://devildant/acw02_esphome/components/acw02/acw02_fr.yaml@${acw02_ref}
acw02:
id: ac_ctrl
uart_id: uart_acw02
## Début de la partie pour la led STA
# Eteinte quand tout vas bien
# clignote lentement en cas d'avertissement (problème de connexion wifi, etc..)
# clignote rapidement en cas d'erreur
status_led:
pin:
number: GPIO03
inverted: true
## Fin de la partie pour la led STA
## Début de la partie pour la sonde de température déportée
# Sonde de température
sensor:
- platform: ntc
id: external_temperature_sensor
sensor: resistance_sensor
calibration:
b_constant: 3950
reference_temperature: 25°C
reference_resistance: 10kOhm
name: NTC Temperature
# Source sensors:
- platform: resistance
id: resistance_sensor
sensor: source_sensor
configuration: DOWNSTREAM
resistor: 10kOhm
name: Resistance Sensor
internal: True
- platform: adc
id: source_sensor
pin: GPIO01
attenuation: 12db
update_interval: never
internal: True
switch:
- platform: gpio
pin: GPIO10
id: ntc_vcc
internal: True
interval:
- interval: 10s #ajuster ici la fréquence de rafraîchissement de la mesure
then:
- switch.turn_on: ntc_vcc
- component.update: source_sensor
- switch.turn_off: ntc_vcc
## Fin de la partie pour la sonde de température déportée
Lors de la première mise sous tension, le module ne vas chercher aucun wifi car rien n’est configurer, il va donc se mettre en mode AP.
Quelque dizaine de secondes après la mise sous tension du module, avec un téléphone ou un PC équipé de wifi, chercher un point d’accès ayant pour nom
ACW02setup
le mot de passe est :
fallbackpassword
Une fois connecté, ouvrir un navigateur à l’adresse http://192.168.4.1
La page vos propose une liste de réseau wifi que le module à découvert. Choisir celui qui correspond au votre et entrer le mot de passe.
Après validation le module redémarre et il devrait ensuite se connecter au wifi choisit et être accessible depuis votre réseau à l’adresse http://acw02-setup.local/
A partir de là il est possible de l’inclure directement à votre HA mais ce n’est pas conseillé.
Il est préférable d’éditer votre propre YAML en définisant un nom de module personnalisé, de configurer en fonction de votre wifi, de réactiver les options de sécurité (mot de passe, clés, etc..) (Ne pas renseigner les parties qui concernent le MQTT, c’est pas utile à ce stade) et de le flasher en OTA dans le module :
→ Dans ESPhome Builder, une fois votre YAML validé faire « Install » puis « Manual Download »
→ A la fin de la compilation, enregistrer le fichier .bin produit (attention les navigateur ont tendance à bloquer ce genre de fichier, il faut valider le fait que vous voulez bien le télécharger)
→ Se connecter sur l’interface web du module http://acw02-setup.local/ en bas de la page dans la partie OTA, sélectionner le fichier .bin téléchargé à l’étape précédente, puis valider.
→ Normalement, après quelques dizaines de secondes, le module devrait apparaître en ligne avec son nouveau nom.
Il est également possible de flasher en USB (module débranché de la clim de préférence). Les boutons BOOT et RESET ne sont normalement pas utile, l’ESP passe automatiquement en mode téléchargement quand il détecte une connexion USB à la mise sous tension.
Pour la configuration du module une fois votre firmware personnalisé flashé (MQTT, etc…) je vous renvois vers la doc de @devildant mais il n’y a rien de compliqué.
Salut, et merci.
on passe en messagerie ? Quel ce qui t’arrange le plus ? Whats app messenger ou autre ? Merci
Module reçu, un grand merci @devildant et plus particulièrement à @Forhorse pour la grande qualité d’emballage du PCB. C’était tellement bien emballé que je me suis dit :
- Dans un premier temps => Il y a t’il réellement un PCB sous les emballages ?

- Dans un second temps => J’ai trouvé plus méticuleux que moi, le top !

Bon n’ayant pas tout lu pour être honnête, va falloir que je regarde pour récupérer les fichiers 3D du boitier. J’ai vu celui de devildant récemment posté, il y a t’il une seconde partie (un couvercle) pour fermer ce boitier ? Est-ce le fichier .f3d ? je connais pas cette extension, fusion 360 ? Si oui est-ce possible de le convertir en stl directement sur le dépôt ?
N’ayant pas d’imprimante 3D, je vais devoir payer une bière à un copain alors autant n’y aller qu’une fois ![]()
Merci d’avance à vous et encore bravo !




